振動篩12年生產廠家
過濾,除雜,分級

價格:4000-7000元
<10mm入料粒度:
100kg/h處理量:
0.18kw功率:
特點:除去小型振動篩的體積小,便于移動外該設備的材質干凈衛生易清洗。
適用:多用于食品,醫藥,化工等一些衛生要求較高和具有一定酸堿性的物料中。
選型要點 —— 詳情咨詢
按不同行業分:普通型,閘門型(控制物料篩分時間),加緣型(防止液體物料飛濺),超聲波型(防止物料聚團堵塞)

小型不銹鋼振動篩硅石篩分現場
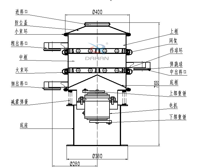
400mm小型不銹鋼振動篩為直徑400mm的三層四個出料口振動篩與物料接觸部分采用304材質也叫不銹鋼振動篩小型振動篩,網架采用子母網分離結構,整機為碳鋼材質。體積小,移動方便,價格便宜,適合小產量要求的客戶使用。

400型小型振動篩是由直立式振動電機作為激振源,電機上、下兩端安裝有偏心重錘,將電機的旋轉運動轉變為水平、垂直、傾斜的三次元運動,再把這個運動傳遞給篩面進行篩分。調節上、下兩端的相位角,可以改變物料在篩面上的運動軌跡。



| 型 號 | 直徑mm | 篩網面積m | 篩網規格(目) | 進料粒度mm | 振次rpm | 有效篩面直mm | 層數 | 功率Kw | 處理量kg/h |
| DH-400 | Φ400 | 0.24 | 2-500 | <Φ10 | 1500 | Φ350 | 1-5 | 0.18 | 100 |
振動篩廠家大漢機械可根據客戶需求設計特殊型號,無論物料是干是濕,是精細是粗糙,是比重大是比重輕,0-400目都可以篩選,不管是液態的,還是漿狀的0-600目都可以過濾。

大漢振動篩針對小型不銹鋼在振動篩的生產主要服務于食品行業,在食品行業中具有一定的經驗,同時醫藥行業也有一定的涉及,根據物料于不同場景的需要也支持定制服務。
Copyright ? 2007-2019 振動篩廠家-新鄉市大漢振動機械有限公司 | All Rights Reserved 版權所有
備案序號:豫ICP備09002479號-1